尊龙凯时人生就是搏

透平油拖车式滤油机

透平油拖车式滤油机产品先容 :

重庆尊龙凯时人生就是搏过滤装备制造有限公司生产的种种透平油拖车式滤油机在汽轮机、水轮机组在运行历程中,其用于冷却、润滑、调速的透平油极易受到污染,造成水分、杂质含量增多、油质乳化等,它们严重影响机组运行的清静和使用寿命。经多年研究,重庆尊龙凯时人生就是搏过滤装备公司开发出拥有多项专利的TF系列透平油真空滤油机,集真空干燥、疏散工程手艺、凝聚手艺、吸附手艺及细密过滤手艺于一体。在高真空状态下能迅速可靠地脱去油中的水分、气体、杂质、胶质、油泥和种种色素等。并降低介损和酸值,提高破乳化度,周全提高油的品质,能实现在线运行,可不;远潘,使废油抵达新油的使用标准,操作轻盈。

透平油拖车式滤油机产品特点:

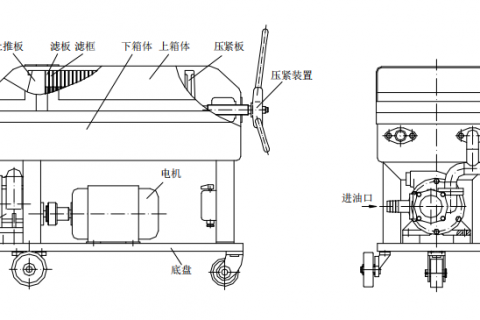
1、本机接纳多级筒式过滤器,滤除杂质能力强。粗滤选用大流量可洗濯式滤芯,过滤效率高,能除去油中的大宗杂质;细密滤芯,接纳”逐级渐密”手艺,过滤精度高、纳垢容量大、强度高、寿命长,可除去油中的细微颗粒。
2、分水装置接纳优质的聚结疏散手艺,特置破乳化妆置(分水),既能迅速高效的疏散油中大宗水分,又便于脱除微量水分;自主研发的喷射脱气装置能有用的脱出油液中混淆的微量气体;冷凝水自动疏散系统设置强风冷却器,将真空倾轧的大宗水蒸气和其它气体迅速冷凝疏散,以抵达一次疏散的优质效果。
3、接纳耐侵蚀、耐高温、机械强度高的优质过滤原件和毗连密封质料;选用德国入口水环式真空泵,以冷却液(或水)为润滑介质,不惧气体进入真空泵内,阻止选用油为介质的旋片真空泵经;挥偷目嗄。
4、接纳新型加热装置,加热负荷低,阻止油质老化。
5、防喷油装置接纳光电液位控制方法,控制迅速、准确、连泡沫都能感应,绝无喷油征象爆发。
6、我公司推出新型的真空聚结式滤油机,该机连系真空滤油机与聚结式滤油机的优点为一体,既解决了用户购置入口聚结式滤油机的资金问题,又战胜了纯粹空滤油机自动化水平不高的难题。

透平油拖车式滤油机手艺参数:

none

相关产品

联系尊龙凯时人生就是搏

13452372176

可微信在线咨询

事情时间:周一至周五,9:30-18:30,节沐日休息

QR code
网站地图